Passar para o conteúdo principal

This website no longer supports the Internet Explorer web browser.

Microsoft is retiring and will no longer support Internet Explorer.  Please use another web browser to access this website.  

Click here for more details.

Your browser doesn't support modern features and some functionality may not work correctly. Please update for the best experience.

Locomotive Sanding Systems - 209 Series Flange Sand Traps
Locomotive Sanding Systems - 209 Series Flange Sand Traps

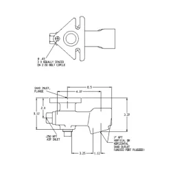
209 Series - Flange Sand Traps

Designed to provide unrestricted flow of sand to enhance traction between the wheel and rail. The 209 Series Traps are lightweight with a low profile for under the platform locations and/or on the truck-mounted sandbox typically found on an industrial type locomotive or light rail vehicle.

  • Horizontal or vertical outlets make it possible to locate the trap with a minimal length of sand hose
  • Three models are offered to control the sand delivery you require: One with a 1/16" orifice (209-FC-1), a second with a 5/64" orifice (209-FC) and a third model with no orifice (209-F)
  • An adjustable nozzle is used with each model which, along with the integral orifice, allows the sand delivery to be adjusted to meet your operating needs
  • Use with normally closed solenoid valves to provide the compressed air necessary to move the sand

Contacte-Nos

Wabtec Locomotive Components

We use Google reCAPTCHA to protect against spam and ensure a secure user experience. You will need to accept Google reCAPTCHA cookies to view the Contact Form Toggle on the Functional category to view the Contact Form